Dommages des pistons et le transfert de chaleur
I.3.Les Charges appliquées sur le piston :
I.3.1. Pression des gaz
Les gaz ont une plus grande turbulence et une pression élevée, par conséquent, en pleine puissance, le transfert du flux de chaleur (gaz-tête du piston) est plus important.
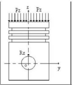
Le piston est aussi soumis à des sollicitations mécaniques dues à l’action (Pz) de la pression des gaz de combustion sur la tête du piston, et la réaction (Rz) de l’axe de piston comme la montre la figure 1.3 :

Figure I.3 Présentation des forces dues à la pression des gaz [6]
I.3.2. Températures :
Le flux de chaleur à travers un une surface élémentaire du piston est :
dQ =dS (T(en amont)) −T (en aval) h.dt
h : est le coefficient de transfert de chaleur par convection (W/m2 .K) dS l’élément de surface qui évacue le flux de chaleur élémentaire dQ. T(en amont): Température des gaz après combustion.
T(en aval) : Température de la paroi de la tête de piston, qui varie avec T des gaz résiduels, de la vitesse de rotation du moteur N et, pour un régime donné du moteur en fonction de la position de la surface élémentaire dS considérée [7].
I.3.3. Contraintes thermiques:
Le gradient de température dans le corps du piston est très élevé dans un laps de temps très court, avec la répétition cyclique rapide, génère des contraintes thermiques qui causent des déformations, qui, plus tard impliquent la fissuration du piston.
L’augmentation de la température Δθ (supposée uniforme) sur la tête du piston va augmenter la dilatation de son diamètre.
ΔD = α.D. ΔT
Avec α = 10.10-6 K-1 pour la fonte (moteur de locomotive)
En conditions réelles d’exploitation, la différence de température Δθ entre le centre et la périphérie de la tête du piston varie jusqu’à 150 ° C.
Cette analyse concerne toutes les surfaces qui constitues les différentes parties du piston, qui sont soumises à un échange de chaleur par convection h (Tparoi – T∞), où Tparoi et T∞ sont respectivement la température de la paroi de la surface en question et la température du fluide de son entourage.
Le flux de chaleur résultant de la combustion est transféré par convection à la tête du piston, ce qui fait augmenter sa température par conduction, puis cédé à l’entourage par convection à travers les segments, la jupe et le bossage interne.

Figure I.4 Représentation de l’échange thermique par convection
Hg : Coefficient d’échange de chaleur par convection entre la tête du piston et les gaz de combustion; (Tg> Tparoi), où Tg est la température des gaz de combustion.
Hs : Coefficient d’échange de chaleur par convection entre le film d’huile et les segments, (Tparoil> Th), où Th est la température de l’huile.
hj: Coefficient d’échange de chaleur par convection entre le film d’huile et l’extérieur de la jupe, (Tparoil> Th).
h’, hi : Coefficients d’échange par convection respectivement entre l’huile projeté et l’intérieur de la jupe, et le bossage interne (Tparoil> Th).
Par conséquent, la pression, la haute température et les contraintes thermiques, ajoutant à cela les propriétés du matériau du piston, sont les paramètres importants déterminant le bon fonctionnement du piston [8].
I.4.Dommages des pistons et leurs causes :
I.4.1. Dommages de la tête de piston :
I.4.1.1. Grippage par surchauffe (concentré sur la tête du piston) :
- Surchauffe due à des dysfonctionnements de combustion.
- Gicleur d’huile déformé/bouché.
- Montage de mauvais pisto
- Défauts dans le système de refroidissement.
- Réduction de jeu au niveau de la surface de glissement supérieure [9].


Figure I.5 Grippage par surchauffe (concentré sur la tête du piston)
I.4.1.2. Traces de chocs :
- Dépassement du piston trop important.
- Ré usinage excessif de la surface portante de la culasse.
- Retrait de la soupape incorrect.
- Mauvais joint de culasse.
- Dépôts de calamine sur la tête du piston.
- Jeu de soupape trop faible.
- Temps de commande incorrects suite à un mauvais réglage ou à une courroie dentée qui a sauté [9].

Figure I.6 Traces de chocs
I.4.1.3. Fusions :
- Mauvais injecteurs.
- Quantité d’injection incorrecte.
- Moment de l’injection incorrect.
- Compression insuffisante.
- Retard d’auto-allumage.
- Vibrations des conduites d’injection [9].


Figure I.7 Fusions
I.4.2.Dommages au niveau de la jupe du piston

Figure I.8 Marquage asymétrique du piston
- Tige de bielle déformée/tordue.
- Alésage désaxé des yeux de bielle.
- Alésage oblique du cylindre.
- Montage oblique de monocylindres uniques.
- Jeu du coussinet de bielle trop important [9].
I.5.Généralités sur le transfert de chaleur :
I.5.1. Introduction :
La thermodynamique permet de prévoir la quantité totale d’énergie qu’un système doit échanger avec l’extérieur pour passer d’un état d’équilibre à un autre. On distingue habituellement deux types d’énergie :
- Le travail noté W qui peut prendre diverses formes selon l’origine physique du transfert en jeu (électrique, magnétique, mécanique)
- La chaleur notée Q. [10]
I.5.2. Définition :
- La chaleur :
La chaleur c’est une forme d’énergie, elle est causée par l’agitation, au sein de la matière, des molécules et des atomes. Donc » l’énergie thermique » ou bien la chaleur est l’énergie associée au mouvement désordonné des particules contenues dans une substance. [10]
- Le transfert de chaleur
Un transfert de chaleur qu’il convient d’appeler transfert thermique ou transfert par chaleur est un transit d’énergie thermique d’un système à un autre à cause d’une différence de température.
Deux corps ayant la même température sont dits en « équilibre thermique ». Si leur température est différente, un transfert de chaleur se produit entre eux.
Le deuxième principe de la thermodynamique admet que la chaleur (ou énergie thermique) ne peut passer que d’un corps chaud vers un corps froid, c’est-à-dire d’un corps à température donnée vers un autre à température plus basse. [12]
- Quantité de chaleur, flux de chaleur :
La quantité de chaleur (notée : Q) est la chaleur nécessaire pour porter la température d’un corps de la température T1 à T2 (en K ou en °C). C’est aussi l’énergie nécessaire pour effectuer un changement d’état (exemple : passage de l’état liquide à l’état gazeux).
Note: il peut y avoir un changement d’état sans variation de température. Le flux de chaleur ϕ représente le débit de chaleur, c’est à dire une quantité de chaleur transmise par unité de temps. Il a donc la dimension d’une puissance et se mesure en watts (W) dans le système SI.

- *Température :
Les particules qui composent la matière (molécules ou atomes) ne sont jamais au repos. Elles sont en vibration permanente et possèdent donc une certaine énergie cinétique.
La température est une mesure indirecte du degré d’agitation microscopique des particules. Plus l’agitation est grande, plus la température est élevée. Si l’agitation cesse, c’est le zéro « absolu ». [10]
I.5.3. Modes de transfert de chaleur :
Lorsque l’on met en présence deux corps de températures différentes, ils échangent de l’énergie sous forme de chaleur jusqu’à atteindre un état d’équilibre qui se traduit par l’uniformisation de leurs Formulation d’un problème de transfert de chaleur. Ces échanges thermiques sont de trois types :
- La conduction thermique ou diffusion thermique.
- La convection.
- Le rayonnement thermique.
I.5.3.1. La conduction thermique :
Ce transfert de chaleur est le seul que l’on puisse rencontrer dans les solides. La propagation de la chaleur s’effectue d’atome en atome, de proche en proche, par transmission d’énergie d’agitation thermique.
En milieu solide les atomes, dont les positions d’équilibre sont fixes dans l’espace, transfèrent de la chaleur sans déplacement de matière. La théorie de la conduction repose sur l’hypothèse de Fourier: le flux de chaleur est proportionnel au gradient de température. [10]

ϕ : Puissance transférée (W)
S : Aire de la section de passage du flux de chaleur (m)
x : Variable d’espace dans la direction du flux Le signe (−) dans l’équation est dû au fait que le flux de chaleur circule dans le sens opposé au gradient de température.
λ : Conductivité thermique du matériau, elle caractérise la propension d’un matériau à conduire la chaleur il s’exprime en W m– 1 K– 1. Lorsqu’un matériau laisse facilement diffuser la chaleur on dit qu’il est conducteur, c’est le cas notamment des métaux dont la conductivité thermique est élevée.
À l’inverse, un matériau tel que l’air au repos s’oppose au transfert de chaleur et est donc appelé isolant.a,dns ce cas la conductivité thermique est faible. [10]
I.5.3.2Convection :
C’est, de façon générale, un transfert de chaleur entre deux phases de nature différente. Elle intervient, par exemple, à la surface de séparation entre un solide et un fluide (liquide ou gaz), ou aussi bien, à la surface libre entre un liquide et un gaz.
Le transfert de chaleur s’effectue en 2 phases :
- 1ère phase : la chaleur est échangée par conduction entre la surface solide et une mince couche de fluide (appelée « film »), au voisinage de la surface.
- 2ème phase : le fluide du film est déplacé dans la masse du fluide ; ce déplacement du fluide est, soit naturel (variation de la masse volumique du film chauffé ou refroidi, par rapport celle du fluide en masse), soit artificiel (action d’une pompe, d’un agitateur). On parle alors soit de convection naturelle, soit de convection forcée.
Donc, le transfert de chaleur par convection est provoqué par le déplacement d’un fluide, qui transporte avec lui l’énergie qu’il contient. [10]

ϕ : Puissance transférée (W) S : Surface traversée (m2)
Ts : Température de la surface (K)
T∞ : Température moyenne du fluide (K)
h : Coefficient moyen de transfert convectif (W/m2K) La valeur du coefficient de transfert de chaleur par convection h est fonction de la nature du fluide, de sa température, de sa vitesse et des caractéristiques géométriques de la surface de contact solide /fluide.
I.5.3.3. Rayonnement thermique :
Tous les corps quelque soit leur état : solide, liquide ou gazeux, de température absolue T>O K, émettent des ondes électromagnétiques ; on dit qu’ils émettent « un rayonnement thermique ».
En plus, au processus d’émission de rayonnement thermique s’ajoute un processus d’absorption des radiations électromagnétiques provenant de l’environnement de ces corps. Leur état thermique est alors régi par le bilan des processus d’émission et d’absorption.
Le rayonnement thermique correspond à un transfert de chaleur ne nécessitant aucun support matériel, c’est ainsi que la terre est « chauffée » par le rayonnement thermique du soleil qui s’est propagé dans le vide, de la surface solaire, qui l’a émis, jusqu’à la terre qui l’absorbe.

ϕ: Puissance transférée (W).
σ : constante de Stefan Boltzmann = 5.67*10−8 W/m2.k4.
S : Surface traversée (m2) Ts : Température de la surface (K).
T∞ : Température du milieu environnant la surface (K).
ε : Émissivité de la surface.
I.5.4. Stockage d’énergie :
Le stockage d’énergie dans un corps correspond à une augmentation de son énergie interne au cours du temps d’où :

ϕst : Puissance de chaleur stockée (W).
m : Masse (kg).
Cp : Chaleur spécifique (J kg-1 °C-1).
T : Température (°C).
t : Temps (s) [10]
I.5.5. Génération d’énergie :
Elle intervient lorsqu’une autre forme d’énergie (chimique, électrique, mécanique, nucléaire) est convertie en énergie thermique. On peut l’écrire sous la forme :

Φg : Puissance de chaleur générée (W).
q ̇ : Densité volumique d’énergie générée (W m-3)
V : Volume (m3).
Les processus dégageant ou absorbant de l’énergie sont: L’effet Joule Une réaction chimique exothermique ou endothermique Une réaction nucléaire Un changement de phase. [10]
