Système de contrôle (méthanol, formaldéhyde) et système ESD
1.2. Présentations de l’instrumentation existante dans le Cp1z
L’instrumentation industrielle constitue un vaste domaine. Elle regroupe principalement les équipements de terrain et les dispositifs de contrôle (exemple soupapes, vannes) qui permettent de mesurer et de contrôler différents paramètres physiques (température, pression, débit etc …)
1.2.1. Système de contrôle de l’unité méthanol
1.2.1.1. Historique de l’instrumentation de l’unité
Différentes étapes tracent l’évolution de l’instrumentation du site : De 1976 à 1984 l’instrumentation pneumatique est du type « TAYLOR ».
L’indisponibilité de la pièce de rechange, la fiabilité du signal ainsi que la difficulté de maintenance a amené à installer en 1984, une instrumentation de type « FOXBORO ».
Cette instrumentation est toujours opérationnelle de nos jours.
1.2.1.2. Description de l’instrumentation existante de l’unité méthanol
Actuellement l’instrumentation de l’unité Méthanol est composé d’appareils pneumatiques, les informations sont renvoyées en salle de contrôle par des signaux 3-15Psi (0.2-1 Bar). Il existe quelques boucles électroniques principalement pour les températures.
La méthode de conduite est semi-automatique, elle nécessite la vigilance permanente des opérateurs sur la totalité du tableau.
Le contrôle des paramètres se fait au moyen de régulateurs pneumatiques, et les automatismes au demeurant peu nombreux sont réalisés par des systèmes câblés.
La gestion des alarmes et déclenchement de toute l’unité est assurée par un système de gestion des alarmes et de sécurité ESD, Prosafe-RS de Yokogawa installé en novembre 2010.
1.2.1.3. La salle de contrôle
Les instruments équipant la salle de contrôle sont pour la plupart des instruments pneumatiques. Ils sont alimentés en air par une clarinette cheminant sur l’arrière panneau.
Les signaux de mesure arrivent directement sous forme pneumatique depuis l’unité.
Dans le cas de signaux électriques (Thermocouples notamment), des convertisseurs mV/ I (millivolts / 4-20 milliampères) puis mA/ P (4-20 mA / 3-15 Psi) assurent les conversions en signaux neumatiques.

Figure 1.1 Salle de contrôle de l’unité méthanol
Il existe quand même quelques enregistreurs et indicateurs électroniques uniquement sur des mesures de températures par thermocouples, et un régulateur de pression pour le four de reforming F-201.
Des Pressure Switch uniquement pour déclencher les alarmes sont installés sur l’arrière panneau du méthanol, ces PS sont branchés en T avec des indicateurs, enregistreurs ou régulateurs pneumatiques, ils sont réglés (seuil en 3-15PSI) de tel-façon à ouvrir ou fermer un contact, ce contact sec (24V) est ensuite renvoyé au système Yokogawa via les cartes d’entrées digitales; pour déclencher l’alarme dans le système ESD.
1.2.1.4. Panneau de commande (plate-forme compresseur de la section 400
Un panneau de commande des compresseurs est installé localement. La distance entre ce panneau de commande et la salle de contrôle principale est d’environ 60 m.
L’instrumentation est en majorité pneumatique, cette plate-forme est installée pour commander les compresseurs localement.

Figure 1.2 Panneau du compresseur
Les principaux appareillages électroniques :
- Mesure, indication et régulation de vitesse (Foxboro modèle 761).
- Contrôle anti pompage (Foxboro modèle 743).
- Mesure, indication et alarmes/déclenchements du déplacement axial de Bently nevada modèle 3500.
- Un système de monitoring de vibrations relatives de MPS VM600.
1.2.1.5. Instrum1entation en site
> Transmetteurs pneumatiques de pression et de débit
La retransmission des signaux issus de ces appareils est totalement pneumatique.

Figure 1.3 Transmetteur de débit pneumatique
> Transmetteurs de niveau à tubes de torsion
La retransmission des signaux issus de ces appareils est totalement pneumatique.
- Régulateurs de niveau à tube de torsion (boucles locales de régulations):
De marque Fisher, le capteur a pour role de détecter le niveau de liquide ou le niveau de l’interface dans une cuve, et produire un signal de sortie pneumatique standard proportionnel à la variable de procédé.
Utilisés en combinaison avec le capteur, les contrôleurs, se fondent sur le principe qu’un corps immergé dans un liquide reçoit une force ascensionnelle égale au poids du liquide déplacé.
La force de flottabilité et le mouvement résultant du plongeur dans le liquide est transmis au contrôleur qui envoie le signal vers la vanne de régulation.

Figure 1.4 Boucle de régulation de niveau local
> Pressostats et thermostats et level switch
C’est des organes de contrôle fonctionnant en tout ou rien, ces instruments sont utilisés pour :
- Soit comme simple alarme; ou comme organe de mise en sécurité pour générer un TRIP, les câbles TOR (24V) sont retransmis à la salle de contrôle par l’intermédiaire de boites de jonction ADF, attaquant les cartes d’isolation galvaniques installées dans les armoires marshaling du système ESD de Yokogawa.
- Soit comme organe de réglage, démarrage et arrêt automatique de pompe pour régulation de niveau en utilisant un PS ou LS.

Figure 1.5 Pressostat installé sur site (PLCO 401)
> Capteurs de température
Les mesures de températures se font avec des thermocouples type K et bulbes. Les signaux sont retransmis en salle de contrôle où ils sont convertis en signaux 4-20mA pour in dication, et pneumatiques pour régulation et enregistrement.
- Régulateurs de température locaux
Deux régulateurs avec transmetteurs implémentés de type bulbe de marque « TAYLOR » sont dédiés pour la désurchauffe.

Figure 1.6 Capteur de température (thermocouple)
> Vannes de régulation
Dans une boucle de régulation, l’organe final de réglage est, le plus souvent, une vanne qui par action sur le débit d’un fluide (gaz ou liquide) permet de réguler la grandeur mesurée (pression, débit, niveau, température, etc.).
Cette vanne dont le mouvement est commandé par le signal venant du régulateur est dite vanne de régulation.
La majorité des vannes existant dans l’unité méthanol, sont de type Globe, équipées avec des positionneurs pneumatiques.
Les vannes de régulation, encore appelées vannes automatiques, peuvent se décomposer en deux grandes familles, suivant le type de déplacements utilisés.
Ces déplacements sont :
- Longitudinaux pour les vannes automatiques classiques ;
- Rotatifs pour les vannes automatiques type CAMFLEX de Masoneilan.

Figure 1.7 Vanne de régulation de pression de GN PIC101
1.2.2. Le système de sécurité ESD de Yokogawa
Dans le complexe CP1Z, un système de déclenchement et de sécurité a été installé pour l’unité méthanol en 2010. Ce système est de marque Prosafe-RS de Yokogawa.
Le ProSafe-RS de Yokogawa se compose de Safety Control Station (SCS), d’un Safety Engineering PC (SENG), et d’un bus de commande en temps réel appelé le V-net qui relie le SCS et le SENG.
Le SCS effectue la safety control, et le SENG exécute l’entretien et l’engineering pour le SCS.
Le ProSafe-RS peut être intégré avec du CENTUM VP, et un système intégré de contrôle de production. L’opération du SCS peut être surveillée par l’intermédiaire du HIS (human interface station) du CENTUM VP.
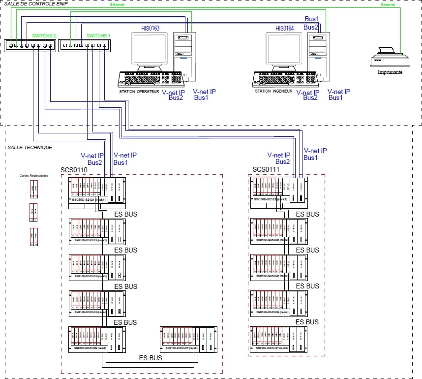
1.2.2.1. L’architecture du Système ESD pour l’unité MeOH

Figure 1.8 Transmetteur de débit magnétique
1.2.2.2. Safety Engineering PC (SENG, HIS0164)
Le poste d’ingénieur (poste de configuration) est dédié à des fonctions d’ingénierie et de configuration. Il contient la base de données du projet et ses paramètres.
Le téléchargement de la base de données du projet sur l’ensemble des abonnés du système se fait depuis le poste de travail ingénieur (station ingénieur).
Une station opérateur et interface homme machine HIS avec leur support dédié pour (01) un opérateur supportera les fonctions suivantes :
- Poste de conduite.
- Station ingénieur ESD.
- Visualisation des événements SOE.
Les types suivants de cartes d’I/O sont employés :
- SAI143 Analogue Input module (16 x 4-20 mA inputs collective isolation) with * pressureclamp terminal block.
- SDV144 Digital Input Module (16 Input channel, collective isolation) with pressureclamp terminal block.
- SDV541 Digital Output Module (16-channel, 24V DC, Module Isolation).
1.2.2.3. Exemple de schéma des entrées logiques (24 V)
Le schéma suivant représente un le schéma des entrées logiques (24V) venu du PS (PS101) qui se trouve salle de contrôle, allant vers les cartes d’entrée digitales en passant par les barrières d’isolation galvanique.

Figure 1.9 Schéma des entrées logiques
1.2.3. Système de contrôle de l’unité Formaldéhyde et Formurée (U100)
1.2.3.1. Historique de l’instrumentation de l’unité
Jusqu’au début des années 90 l’instrumentation était pneumatique du type « FOXBORO ». L’indisponibilité de la pièce de rechange, la fiabilité du signal ainsi que la difficulté de maintenance a amené à migrer vers une instrumentation mixte (régulateurs électroniques, transmetteurs et positionneurs de vannes pneumatiques).
La gestion des alarmes et déclenchements est à base de logique câblée (relais). Cette instrumentation est toujours opérationnelle de nos jours.
1.2.3.2. Description l’instrumentation existante
Actuellement l’instrumentation de l’unité 100 est composée d’appareils pneumatiques, les informations sont renvoyées en salle de contrôle par des signaux 3-15Psi (0.2-1 Bar). Passent ensuite par des convertisseurs I/P (3-15 PSI / 4-20mA) pour attaquer ensuite les régulateurs électroniques situés en salle de contrôle.
La méthode de conduite est semi-automatique, elle nécessite la vigilance permanente des opérateurs sur la totalité du tableau.
Le contrôle des paramètres se fait au moyen de régulateurs électroniques, et des systèmes d’alarmes et de blocages sont réalisés par des systèmes à logique câblé.
1.2.3.3. La salle de contrôle
Les instruments équipant la salle de contrôle sont des instruments électroniques et pneumatiques.
Les signaux de mesure arrivent directement sous forme pneumatique depuis l’unité. Des convertisseurs P/mA (3-15PSI/ 4-20mA) assurent les conversions en signaux électrique en cas de régulation soit en entrant ou sortant vers actionneurs,
Il existe des enregistreurs et indicateurs pneumatiques
Des armoires pour les systèmes de sécurité et d’alarmes à base de logique câblée (relais) pour les différentes phases du procédé, et pour le compresseur P-101.
1.2.3.4. Instrumentation en site
Il existe des transmetteurs pneumatiques de pression et de débit et de niveau à tubes de torsion.
> Capteurs de température
Les mesures de températures se font avec des thermorésistantes (RTD). Les signaux sont retransmis en salle de contrôle.
- Principe de la thermo résistance :
Augmentation de la résistivité d’un conducteur métal par augmentation de la température. Le métal le plus utilisé est le platine.
La PT100 Ω, à 0°c. R(T)= R0(1+aT+bT2+cT3)
A, b, c des coefficients ; a= 3.85*10-3.
> Vannes de régulation
La majorité des vannes, sont de type Globe de marque Fisher et Honeywell.
> Transmetteurs de débit magnétique
La figure suivante montre les transmetteurs de débit magnétique de marque « FOXBORO »

Figure 1.10 Transmetteur de débit magnétique
Conclusion
Dans ce chapitre nous avons vu des descriptions des différents procédés existants dans le complexe Cp1z, et une description sur les systèmes de contrôle et l’instrumentation existante.