L’étude de cas onduleur multiniveau révèle comment un onduleur triphasé à cinq niveaux à cellules imbriquées peut transformer l’entraînement de machines asynchrones. En explorant des stratégies de commande innovantes, cette recherche offre des solutions prometteuses pour améliorer les performances dans des applications critiques.
Chapitre II
Modelisation et Strategies de Commande de L’onduleur de Tension a Cinq Niveaux a Cellules Imbriquees
Introduction
Dans ce chapitre, nous présentons un nouveau onduleur de tension multiniveaux : onduleur de tension triphasé à cinq niveaux à cellules imbriquées. Cet onduleur a l’avantage d’améliorer le taux d’harmoniques qui ouvre un champ intéressant quant à son utilisation dans la traction ferroviaire et urbaine, l’alimentation des réseaux de bord de propulsion des navires militaires, et l’alimentation des machines de forte puissance à moyenne tension [BEN 03].
Ainsi, nous présentons le modèle de fonctionnement de cet onduleur sans a priori sur sa commande, en utilisant la méthode DESIGN associée au réseau de Petri [MAL 04]. Aussi, nous élaborons un modèle de connaissance de l’onduleur en utilisant les fonctions de connexion des interrupteurs. Pour cela, nous proposons une commande complémentaire optimale.

Deux stratégies de commande à MLI de l’onduleur à cinq niveaux sont développées. Les performances de chacun des algorithmes sont analysées sur la base de la caractéristique de réglage et du taux d’harmoniques.
Modelisation de L’onduleur Triphase a Cinq Niveaux a Cellules Imbriquees
Topologie de l’onduleur triphasé à cinq niveaux à cellules imbriquées
Cette structure a été introduite en 1992 par T. Meynard et H. Foch. Elle est également connue sous l’appellation « flying capacitors multilevel inverter » dans la littérature anglo- saxonne [MYN 92].
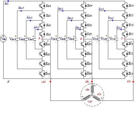
Chaque phase est constituée d’une paire d’interrupteurs de puissance montée en parallèle aux bornes d’un condensateur, commandés de façon complémentaire, si bien que la tension de sortie de la branche est reliée soit à la borne positive, soit à la borne négative de ce condensateur. Plusieurs cellules « condensateur et paire d’interrupteurs » sont imbriquées les unes dans les autres comme l’illustre la figure II.1. (Vc2 = 2Vc1, Vc3 =3Vc1, Vdc = 4Vc1) [MYN 92] [SON 04] [COR 05] [LEE 01].

Fig. II.1. Structure Générale de l’onduleur triphasé à cinq niveaux à cellules imbriquées
Le principe de fonctionnement de cet onduleur est quasiment identique à celui de l’onduleur à structure NPC. Néanmoins, elle présente plusieurs avantages, notamment [SON 04]:
La tension de blocage des interrupteurs est partout la même.
Le concept peut être facilement appliqué à d’autres types de convertisseurs (continu- continu, continu-alternatif, alternatif-alternatif), aussi bien pour un transfert unidirectionnel de la puissance que birectionnel ;
Sa modularité permet une extension et une adaptation aisées des stratégies de commande à un nombre élevé de niveaux;
Le principal désavantage de cette topologie réside dans le nombre requis de condensateurs, ce qui peut représenter un volume prohibitif. En plus, si l’application dans laquelle le convertisseur est utilisé exige des tensions initiales non nulles aux bornes des condensateurs.
Structure d’un bras d’onduleur triphasé à cinq niveaux à cellules imbriquées
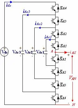
La figure II.2, représente la structure d’un bras d’onduleur triphasé à cinq niveaux à cellules imbriquées (phase A).

Fig. II.2. Structure d’un bras d’onduleur triphasé à cinq niveaux à cellules imbriquées (phase A)
Les tensions des condensateurs VAc1, VAc2 et VAc3 sont exprimées respectivement par, Vdc , Vdc et 3Vdc [SON 04] [COR 05].
4 2 4
Le courant idc peut être exprimé en fonction du courant de phase (A) et l’interrupteur bidirectionnel par la relation suivante :
idc= SA4 iAS+ SB4 iBS +SC4 iCS [II.1]
Les états de commutation possibles des interrupteurs et les niveaux de tensions de sortie sont résumés dans le tableau II.1. [COR 05].
| Table II.1: Les états de commutation possibles des interrupteurs et les niveaux de tensions de l’onduleur à cinq niveaux à cellules imbriquées | |
|---|---|
| Parameter/Criteria | Description/Value |
| États de commutation | Niveaux de tension de sortie |
Tab. II.1. Les états de commutation possibles des interrupteurs et les niveaux de tensions de l’onduleur à cinq niveaux à cellules imbriquées
Différentes configurations d’un bras d’onduleur à cinq niveaux à cellules imbriquées
Les différentes configurations de l’onduleur à cinq niveaux à cellules imbriquées sont basées sur les hypothèses suivantes :
Chaque paire (transistor – diode) est représentée par un seul interrupteur bidirectionnel supposé idéal, figure II.3.

Fig. II.3. Interrupteur bidirectionnel équivalent à la paire transistor–diode
L’onduleur à cinq niveaux à cellules imbriquées est supposé symétrique ; il suffit de définir les différentes configurations d’un bras d’onduleur données par la figure II.4.



Configuration E0 Configuration E1 Configuration E2
Ik=0 Vk 0 Vdc 2 Vk 0 Vdc 4



Configuration E3 Configuration E4 Configuration E5
V k 0 0 Vk 0 Vdc 4 V V dc k 0 2
Fig. II.4. Différentes configurations d’un bras k de l’onduleur triphasé à cinq niveaux à cellules imbriquées avec ces grandeurs électriques
Reseau de Petri d’un bras d’onduleur a cinq niveaux a cellules imbriquees
L’analyse fonctionnelle réalisée au moyen du formalisme de Pétri consiste à dénombrer les configurations physiquement réalisables, à attribuer à chacune d’entre elles un modèle électrique équivalent et à définir les conditions de changement des configurations
Ces conditions de transition donnent les réceptivités du réseau de Pétri de fonctionnement de ce bras. Elles sont des fonctions logiques entre [CAH 05]
Une commande externe BKS (l’ordre d’amorçage ou de blocage du semi-conducteur).
Une commande interne définie par les signes du courant du bras et des tensions aux bornes des semi-conducteurs de ce bras [ARE 01] [CAH 05].
La variable Rmn intervenant dans ce réseau de Pétri représente la réceptivité de transition de la configuration Em à la configuration En [OUD 99].
R13 R31 R12 E2 R32 E1 R21 R23 R02 R20 E3 R01 R03 R25 R52 R42 R10 R30 R24 R15 R51 E0 R43 R34 R50 R40 R05 R04 E5 R54 E4 R45 R53 R41 R35 R14
Fig. II.5. Réseau de Pétri série de fonctionnement d’un bras k de l’onduleur triphasé à cinq niveaux à structure imbriquée
Les différentes réceptivités du réseau de Petri modélisant un bras de l’onduleur sont explicitées ci-dessous :
KS2 KS2 KS3 KS3 KS4 KS4 R 01 KS1 KS1 [ B ? ( U 0 ) ? B ? ( U 0 ) ? B ? ( U 0 ) ? B ? ( U 0 )]ou [( U 0 ) ? ( U 0 ) ? ( U 0 ) ? ( U 0 ) ] R 02 KS2 KS3 KS4 KS2 KS3 KS4 [ BKS1? ( UKS1 0 ) ? B ? ( U 0 ) ? B ? (U 0) ? B ? (U 0)]ou [( UKS1 KS2 KS2 KS3 KS3 KS4 KS4 0 ) ? ( U 0 ) ? ( U 0 ) ? ( U 0)]
Questions Fréquemment Posées
Qu’est-ce qu’un onduleur multiniveau à cinq niveaux à cellules imbriquées?
Un onduleur multiniveau à cinq niveaux à cellules imbriquées est un onduleur de tension triphasé qui améliore le taux d’harmoniques et est utilisé dans des applications comme la traction ferroviaire et l’alimentation des machines de forte puissance.
Quels sont les avantages de l’onduleur à cinq niveaux à cellules imbriquées?
Les avantages incluent une tension de blocage des interrupteurs uniforme, une modularité permettant une extension facile des stratégies de commande, et une application possible à divers types de convertisseurs.
Quelles stratégies de commande sont développées pour l’onduleur à cinq niveaux?
Deux stratégies de commande à MLI sont développées : la commande triangulo-sinusoidale et la modulation vectorielle avec quatre porteuses bipolaires.
| Table II.1: Les états de commutation possibles des interrupteurs et les niveaux de tensions de l’onduleur à cinq niveaux à cellules imbriquées | |
|---|---|
| Parameter/Criteria | Description/Value |
| États de commutation | Niveaux de tension de sortie |